搜索
历史搜索
搜索发现
首页 > 产品中心 > 云平台 > GPRS-4G 云平台

云平台 DAM0404D GPRS版 远程智能控制器

云监控 | 点动/循环 | 视频监控 | 远程报警

工业级 GPRS-0404D 云平台系列GPRS版,4路继电器输出(DO)4路开关量采集(DI),4路继电器控制输出,触点隔离4路开关量输入,支持GPRS通讯接口支持TCP/UDP工作模式,提供安卓/苹果手机APP控制软件、pc电脑端网页控制界面,支持报警、历...

联网方式:2G/4G全网通 功能说明:4DO+4DI 版本说明:标准版 协议:Modbus TCP/RTU/ASCII 软件说明:免费测试/应用软件 二次开发:支持 安装方式:35mm导轨或四角螺丝

一、产品说明

DAM0404-GPRS 设备是我公司 DAM 系列设备中 GPRS 版本的一种,设备基于移动和联通的 GPRS 网络来进行通讯,使用我司配套的云平台软件可实现远程控制设备功能,每个设备具有唯一 ID 号方便用户进行二次开发使用。

二、产品特点

l 供电电压 DC7-40V;

l 继电器输出触点隔离;

l 使用 GPRS 通讯,SIM 卡支持移动、联通,暂不支持电信;

l 通信波特率:2400,4800,9600,19200,38400

l 通信协议:支持标准 modbus 协议;

三、产品功能

l 四路继电器控制;

l 四路开关量输入;

l 可实现远距离操控;

l 具有闪开、闪断功能,可以在指令里边带参数、操作继电器开一段时间自动关闭。

四、产品选型

型号

modbus

RS232

RS485

USB

GSM

继电器

DAM0404-GPRS




4

五、主要参数

参数

说明

触点容量

10A/30VDC   10A/250VAC

耐久性

10万次

通讯接口

GSM 网络(移动、联通)

额定电压

DC 7-40V

电源指示

1路红色 LED 指示(不通信时常亮,通信时闪烁)

输出指示

4路红色 LED 指示

温度范围

工业级,-40℃~85℃

尺寸

115*95*41mm

重量

330g

默认通讯格式

9600,n,8,1

波特率

2400,4800,9600,19200,38400

 

 

 

软件支持

配套配置软件、app 控制软件,平台软件;支持各家组态软件;

支持 Labviewd 等

六、通讯架构说明

设备使用基于移动或联通的 GSM 网络进行远程通讯,设备上插入移动或联通 SIM 卡即可,支持流量卡。

2.png

七、 使用说明

1 、 设备上电后,在设备上插入移动或联通 SIM 卡;

2 、 使用手机向设备中的手机号发送设置管理员指令;

3 、 通过提供的二维码标签或者发送查询短信指令获取设备唯一 ID 号;

4 、 安装 app 软件添加设备进行测试【默认设备的指向服务器是我司服务器】;

5 、 通过发送短信指令来将服务器地址改为使用的服务器地址;【选用】

八、 硬件说明

1、接口说明

8.png


2、引脚说明

序号

引脚

说明

1

+

电源正极

2

-

电源负极

3

VIN

无源输入时 VIN COM 短接用,具体查看输入接线图

4

COM+

无源输入时 VIN COM 短接用,具体查看输入接线图

5

IN1

第一路开关量输入

6

IN2

第二路开关量输入

7

IN3

第三路开关量输入

8

IN4

第四路开关量输入

9

COM-

无源输入时使用,具体查看输入接线图

10

常开

第一路继电器输出常开端

11

公共端

第一路继电器输出公共端

12

常闭

第一路继电器输出常闭端

13

常开

第二路继电器输出常开端

14

公共端

第二路继电器输出公共端

15

常闭

第二路继电器输出常闭端

16

常开

第三路继电器输出常开端

17

公共端

第三路继电器输出公共端

18

常闭

第三路继电器输出常闭端

19

常开

第四路继电器输出常开端

20

公共端

第四路继电器输出公共端

21

常闭

第四路继电器输出常闭端

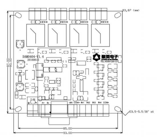
3、 尺寸说明

13.png

带壳尺寸

3.png

裸板尺寸


4、SIM 卡

插卡方向如下图 所示:

11.png

(芯片朝上,缺口朝外)

5、继电器接线说明

4.png

6、有源开关量接线示意图

9.png

7、无源开关量接线示意图

10.png

九、设备唯一 ID 号

获取设备唯一 ID 号有以下两种方式:

1、扫描二维码获取

使用手机扫描设备外壳或包装外壳上的二维码获取唯一 ID 号,如下所示:

8.png

2、发送短信查询指令获取

2.png

十、短信配置说明

1. 查询指令

(红色部分为必须指令,其他选用)

1:【管理员手机号】

配置短信:*JY#01#123456#138xxxxxxxx#

2:【APN】

查询:*JY#02#

配置:*JY#02#"CMNET","",""# 

3:【DNS】

查询:*JY#03#

配置:*JY#03#114. 114. 114. 114#8.8.8.8#300#60# 

4:【登录信息包】

查询:*JY#04#

配置:*JY#04#Hex#010203040506 

5:【心跳包】

查询:*JY#05#

配置:*JY#05#ASCII#:138xxxxxxxx.

6:【查询唯一 ID 号】

查询:*JY#30#

配置:*JY#30#UNID:***********

CSQ:**

GPS:**

2. 网络配置及查询

此处为配置 TCP/UDP Client模式时面向的服务器的IP 地址及端口号设置,默认面向我司的服务器:ems.jydtu.com ,端口号:60001 。(红色部分为可修改部分)网络 1-网络 6 其中的任意通道修改即可。

11:【网络 1】

查询:*JY#11#

配置:*JY#11#1#ems.jydtu.com#60001#10000#300#0#31#

12:【网络 2】

查询:*JY#12#

配置:*JY#12#0##10000#10000#300#0#255#

13:【网络 3】

查询:*JY#13#

配置:*JY#13#0##10000#10000#300#0#255#

14:【网络 4】

查询:*JY#14#

配置:*JY#14#0##10000#10000#300#0#255#

15:【网络 5】

查询:*JY#15#

配置:*JY#15#0##10000#10000#300#0#255#

16:【网络 6】

查询:*JY#16#

配置:*JY#16#0##10000#10000#300#0#255#

21:【串 口 1】

查询:*JY#21#

配置:*JY#21#0#0#0#0#255#0#

22:【串 口 2】

查询:*JY#22#

配置:*JY#22#0#0#0#0#255#0#

23:【串 口 3】

查询:*JY#23#

配置:*JY#23#0#0#0#0#255#0#

24:【串口 4】

查询:*JY#24#

配置:*JY#24#0#0#0#0#255#0#

25:【串 口 5】

查询:*JY#25#

配置:*JY#25#0#0#0#0#255#0#

3、软件生成指令

短信指令也可通过软件生成。

打开软件后,打开串口,修改参数配置,点击修改后,在 DTU 配置软件的“基本配置信息 ”页,点击“生成短信 ”,即可生成短信指令。

3.png

十一、平台软件说明

聚英云平台为我公司开发的一款网络平台软件,平台包含手机 APP 平台软件和网页版平台,其中手机 APP 软件又包含 Android 、IOS 两大类,平台以我公司的 DAM 系列网络版设备和GPRS 版设备为应用对象,旨在为用户提供远程控制输出(继电器、开关量)、模拟量(4-20mA 、0-10V 、0-5V)采集、开关量采集等服务,极大方便了用户的需求,服务器由我公司提供,客户可放心使用。

十二、软件下载

云平台软件分为以下三种:

1、网页版平台入口

https://www.jydtu.com/show/#/ 

2、手机版软件下载

Android 版 app 软件:

41.png

IOS 版 app 软件:

42.png

十三、平台操作说明

用户可通过聚英云平台自行添加 DAM 系列网络版设备实现远程监控,DAM 系列网络版设备,每台设备拥有唯一 ID 号,同一台设备可供多个用户添加使用。

在手机上安装下载的 app 软件,以 Android 为例(IOS 版操作方法相同)。安装后的图标如下

43.png

1、登陆

打开软件后,点击“用户信息 ”,显示登陆界面,如下:

44.png

软件支持 QQ 和微信登陆,确保了用户的信息安全,同时方便用户使用,也可通过手机注册账号登陆。

2、添加设备

登陆账号后,在“实时监控 ”界面内添加设备,如下所示:

45.png

产品型号通过下拉选择,需要根据购买的设备型号选择,

46.png

fUNID 指的是设备的唯一 ID 号,可通过扫一扫,扫描设备上的二维码,或通过查询指令获取 ID 号写入即可。

扫描二维码获取唯一 ID

点击 fUNID 后面的 ,可进入扫描二维码界面,如下所示。

48.png

扫描完成后自动获取唯一 ID 号。

49.png

3、实时监控

成功添加设备后,可在“实时监控 ”界面进行设备参数设置、控制与数据查看。

1) DO 输出类界面

50.png

51.png

点击顶部菜单栏内的图标,即可进入编辑页面,对 DO 通道的名称进行修改,如下图所示:

53.png


2) DI 输入类界面

在编辑页面内,对 DI 通道的名称进行修改,如下图所示:

54.png

3) AI 模拟量输入类界面

在编辑页面也可对 AI 模拟量的输入进行上下限报警设定,如下:

5.png

编辑完成后,点击完成,在监控界面查看当前设备状态即可,此时,设备已实现真正意义上的远程监控功能。

4) 温度、湿度或其他数据显示

首先确定设备的输入信号为哪一种,我们以温度变送器为例,温度变送器的输出信号为4-20mA ,通过 DAM 设备采集温度变送器的输出信号。DAM 设备采集到的 4-20mA 数据与实际之间的关系为:实际值=返回值*0.001 ,及采集到的数据值范围为 4000-20000 ,若温度范围为0-100℃ , 则在编辑界面写入对应关系,如下所示即可。

55.png

对应关系编辑确定后,在设备界面查看即可。历史数据及曲线记录

6.png

4、删除设备

在编辑页面点击

56.png

即可删除设备。

十四、开发资料说明

1. Modbus 寄存器说明

本控制卡主要为线圈寄存器,主要支持以下指令码:1 、5 、15

指令码

含义

1

读线圈寄存器

5

写单个线圈

15

写多个线圈寄存器

线圈寄存器地址表:

寄存器名称

寄存器地址

说明

线圈控制

线圈 1

00001

第一路继电器输出

线圈 2

00002

第二路继电器输出

线圈 3

00003

第三路继电器输出

线圈 4

00004

第四路继电器输出

循环控制

JD1

40001-40005

[0001] :循环操作次数

[0002] :循环操作中闭合时间(ms

[0003] :循环操作中断开时间(ms

[0004] :闪断闪闭模式

4:  闪闭操作

2:  闪断操作

其他:无效操作

[0005] :闪开闪闭工作时间(ms

JD2

40006-40010

JD3

40011-40015

JD4

40016-40020

配置参数

通信波特率

41001

见下表波特率数值对应表,默认为 0,支持



0-5 ,该寄存器同时决定 RS232  RS485 通信波特率

备用

41002

备用,用户不可写入任何值。

设备组号

41003

用于扩展设备使用。

组号取值范围:0,1,2,3,4,5,6,7

设备地址=设备组号*32+组内地址

备用

41004

用户可以使用,存储用户数据

备用

41005

用户可以使用,存储用户数据

只读参数



设备地址

30001

Modbus 访问的地址

线圈输出状态

30002

1-16

光耦输入状态

30003

1-16

备注:

① :Modbus 设备指令支持下列Modbus 地址:

00001 至 09999 是离散输出(线圈) 10001 至 19999 是离散输入(触点)

30001 至 39999 是输入寄存器(通常是模拟量输入) 40001 至 49999 是保持寄存器(通常存储设备配置信息)

采用5 位码格式,第一个字符决定寄存器类型,其余 4 个字符代表地址。地址 1 从 0 开始,如 00001 对应 0000。

波特率数值对应表

数值

波特率

0

9600

1

2400

2

4800

3

9600

4

19200

5

38400

③ :继电器状态,通过 30002 地址可以查询,也可以通过 00001---00002 地址来查询,但控制只能使用 00001---00002 地址。

30002 地址数据长度为 16bit 。最多可表示 16 个继电器。

对应结果如下:

Bit

15

14

13

12

11

10

9

8

7

6

5

4

3

2

1

0

  位置

8

7

6

5

4

3

2

1

16

15

14

13

12

11

10

9

即 寄存器 30009 数据 的 bit8 与寄存器 00001 的数据一样。

同理:光耦输入也是如此。寄存器 30003 的 bit8 、bit9 与寄存器 10001 、10002都对应到指定的硬件上。

寄存器地址按照 PLC 命名规则,真实地址为去掉最高位,然后减一。

2. 相关指令

情景

RTU 格式(16 进制发送)

查询四路状态

FE 01 00 00 00 04 29 C6

查询指令返回信息

FE 01 01 00 61 9C

控制第一路开

FE 05 00 00 FF 00 98 35

控制返回信息

FE 05 00 00 FF 00 98 35

控制第一路关

FE 05 00 00 00 00 D9 C5

控制返回信息

FE 05 00 00 00 00 D9 C5

控制第二路开

FE 05 00 01 FF 00 C9 F5

控制第二路关

FE 05 00 01 00 00 88 05

控制第三路开

FE 05 00 02 FF 00 39 F5

控制第三路关

FE 05 00 02 00 00 78 05

控制第四路开

FE 05 00 03 FF 00 68 35

控制第四路关

FE 05 00 03 00 00 29 C5

3. 指令详解

控制 1 路继电器(以第一路开为例,其他通道参照本例)

发送码:FE 05 00 00 FF 00 98 35

字段

含义

备注

FE

设备地址

这里为广播地址

05

05 指令

单个控制指令

00 00

地址

要控制继电器寄存器地址

FF 00

指令

继电器开的动作

98 35

CRC16

 6 字节数据的CRC16 校验和

继电器卡返回信息:

返回码:FE 05 00 00 FF 00 98 35

字段

含义

备注

FE

设备地址

这里为广播地址

05

05 指令

单个控制指令

00 00

地址

要控制继电器寄存器地址

FF 00

指令

继电器开的动作

98 35

CRC16

 6 字节数据的CRC16 校验和

1、继电器查询

查询 4 路继电器

发送码:FE 01 00 00 00 04 29 C6

字段

含义

备注

FE

设备地址

这里为广播地址

01

01 指令

查询继电器状态指令

00 00

起始地址

要查询的第一个继电器寄存器地址

00 04

查询数量

要查询的继电器数量

29 C6

CRC16

 6 字节数据的CRC16 校验和

继电器卡返回信息:

返回码:FE 01 01 00 61 9C

字段

含义

备注

FE

设备地址


01

01 指令

返回指令:如果查询错误,返回 0x81

01

字节数

返回状态信息的所有字节数。1+(n-1)/8

00

查询的状态

返回的继电器状态(16 进制转为 2 进制,其 1 代表吸合,0 代表断开)。

Bit0:第一个继电器状态

Bit1:第二个继电器状态

。。。。。。。

Bit7:第八个继电器状态

61 9C

CRC16

 6 字节数据的CRC16 校验和

2、闪开闪闭指令解析

闪开发送码:FE 10 00 03 00 02 04 00 04 00 0A 00 D8

闪断发送码:FE 10 00 03 00 02 04 00 02 00 14 21 62

字段

含义

备注

FE

设备地址


10

10 指令

查询输入寄存器指令

00 03

继电器地址

要控制的器地址

00 02

控制命令数

要对继电的命令个数

04

字节数

控制信息命令的的所有字节数。1+(n-1)/8

00 04/00 02

指令

闪开闪闭指令

00 0A

延时时间

00 0A 为十六进制换为十进制则为间隔时间

00 D8

CRC16


返回码:FE 10 00 03 00 02 A5 C7

字段

含义

备注

FE

设备地址


10

10 指令

返回指令:如果查询错误,返回 0x82

00 03

设备地址

查询设备的地址

00 02

接收命令数

设备接受的命令个数

A5 C7

CRC16

校验位

3、全开全关指令解析

全开发送码:FE 0F 00 00 00 04 01 FF 31 D2

全断发送码:FE 0F 00 00 00 04 01 00 71 92

字段

含义

备注

FE

设备地址


0F

0F 指令

返回指令:如果查询错误,返回 0x82

00 00

起始地址


00 04

控制数量

控制的继电器数量

01

字节数

发送命令字节数

FF  (或 00

全开全关命令

FF  全开命令 00  全关命令

31 D2(或 71 92)

CRC16

校验位

全断全开返回码:FE 0F 00 00 00 04 40 07

字段

含义

备注

FE

设备地址


0F

0F 指令

返回指令:如果查询错误,返回 0x82

00 00

起始地址


00 04

数量

返回信息的继电器数量

40 07

CRC16

校验位

4 、查询光耦(4 路光耦)

发送指令码:FE 02 00 00 00 04 6D C6

字段

含义

备注

FE

设备地址


02

02 指令

查询离散量输入(光耦输入)状态指令

00 00

起始地址

要查询的第一个光耦的寄存器地址

00 04

查询数量

要查询的光耦状态数量

6D C6

CRC16

 6 字节数据的CRC16 校验和

光耦返回信息:

返回码:FE 02 01 00 91 9C

字段

含义

备注

FE

设备地址


02

02 指令

返回指令:如果查询错误,返回 0x82

01

字节数

返回状态信息的所有字节数。

00

查询的状态

返回的光耦的状态。

Bit0:第一个光耦的状态

Bit1:第二个光耦的状态

。。。。。。。

Bit3:第四个光耦的状态

91 9C

CRC16

 6 字节数据的CRC16 校验和


云平台 GPRS-0404D 远程智能控制器 产品参数

云平台 GPRS-0404D 远程智能控制器 产品尺寸

云平台 DAM0404D GPRS版 远程智能控制器相关资料下载
云平台 DAM0404D GPRS版 远程智能控制器说明书 云平台 DAM0404D GPRS版 远程智能控制器说明书
网口配置软件 网口配置软件
WIFI配置手册 WIFI配置手册
网口WIFI配置资料 网口WIFI配置资料
GPRS配置手册 GPRS配置手册
应用软件(WEB端) 应用软件(WEB端)
应用软件(PC端) 应用软件(PC端)
开发资料 开发资料
在线购买
批量采购/定制产品

销售专线: 010-82899827/1 4006688400 7x24小时销售服务热线

联系邮箱:juyingele@163.com

技术咨询

在线咨询: 点击咨询

联系邮箱:juyingele@163.com

暂时没有本产品的使用视频
联系销售
销售王经理微信 销售王经理
微信公众号 微信公众号
服务热线
400-6688-400